|
||
全部產品分類
|
||



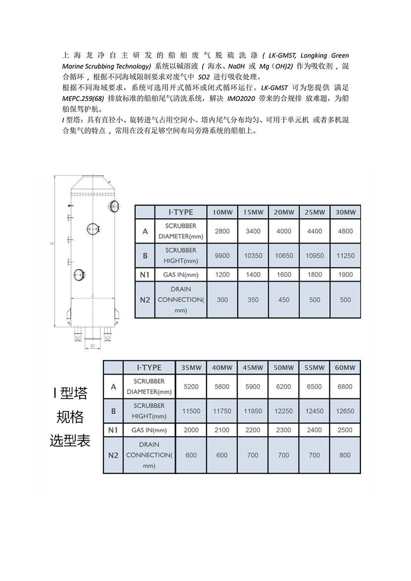
| 船舶廢氣脫硫洗滌系統 | |||
| 運行功率: | 35MW/h | 塔徑: | 5.2m |
| 塔高: | 11.5m | ||

| -供應商聯系方式- | |||||
|
|
公司名稱: | 上海龍凈環??萍脊こ逃邢薰? |
|
聯系人姓名: | 劉京 |
| 公司地址: | 上海市普陀區綏德路175弄3號樓3樓 | 聯系人電話: | 13817046319;021-26079555 | ||
| 聯系人郵箱: | 13817046319@139.com | ||||